Z690 AORUS MASTER主板是技嘉推出的Z690芯片组次级旗舰主板,E-AXT尺寸,采用19+1+2相供电设计和最大105A的Power Stage 供电元件,散热片是豪华的第三代堆栈式散热鳍片,供电散热表现极佳下面就一起来看看Z690 AORUS MASTER主板到底怎么样吧~

️概览

Z690 AORUS MASTER的主板配色还是以铁灰色为主,但在供电散热片和M.2/芯片组散热片处增加了很多波纹状的条形纹理,还做了一些交错和阴影的效果处理,立体感很强。供电散热片和芯片组散热片上有大面积RGB背光,并增加了一些半透明设计,可以看到下面的散热片和一些背部接口,颇有些概念版的感觉。

背部金属设计,一方面保护背部的供电元件,一方面连接供电元件,进行辅助散热。同时也增加主板整体一体化观感。

CPU外接供电8+8Pin设计,平衡外接供电负载。

4根DDR5内存插槽,插槽有金属强化装甲设计,单根插槽最大支持32GB,四根插槽最大支持128GB容量,内存频率最大支持超频至DDR5 6400MHz。

右上角有便捷电源键和2位Debug灯,RGB灯光拓展接口以及CPU_FAN / OPT / SYS -PUMP风扇接口都在这里。

前置接口支持USB 3.2 Gen 1 x 4接口(2个接口,每个接口支持2个USB接口),USB 3.2 Gen 2x2 20Gbps Type C x 1。

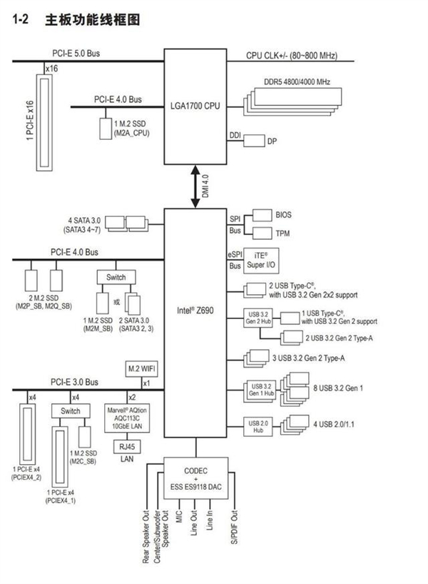
三根PCIe插槽均做了金属强化设计,以提高承重能力应对高端显卡越做越重的趋势。三根PCIe插槽中,第一根支持PCIe 5.0 x 16速率(向下兼容PCIe 4.0 x 16),第二根和第三根均为PCIe 3.0 x 4速率,可以外接一些网卡、声卡等设备。

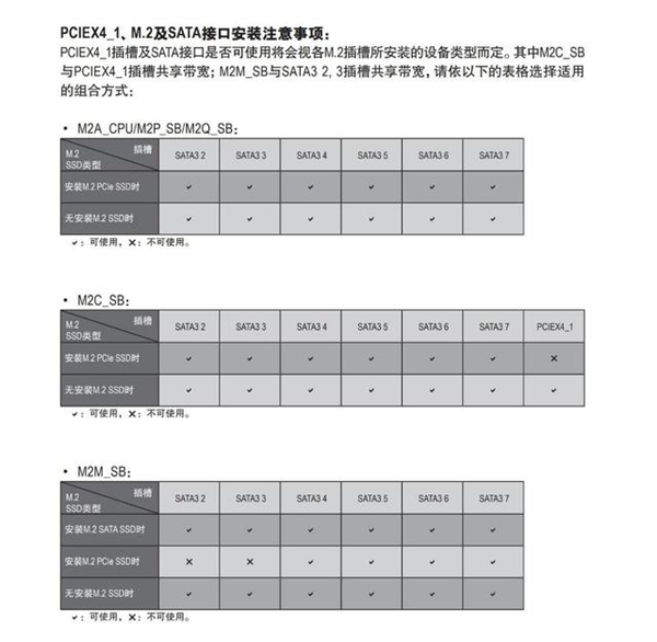
5个M.2插槽,其中第一个、第二个和第三个M.2插槽都支持PCIe 4.0 x 4速率,第四个(平行插槽左侧)M.2支持PCIe 3.0 x 4速率,第五个(平行插槽右侧)M.2支持PCIe 4.0 x 4速率和SATA协议。

第四个(平行插槽左侧)M.2与PCIe X 4_1插槽(第二根)共享带宽,当第四个M.2插槽安装固态硬盘时,PCIe X 4_1插槽将无法使用;第五个(平行插槽右侧)M.2与SATA3_2、SATA3_3(最靠下的两个SATA接口)共享带宽,当第五个M.2插槽安装固态时,SATA3_2、SATA3_3将无法使用。

6个SATA接口,其中最靠左的两个与M2M-SB(右侧M.2)共享带宽。

主板右下角连接开机键、重启键、LED灯、自检喇叭等,再左边是TPM接口,用于连接外部TPM卡,最后是2个SYS-PUMP风扇接口,与主板顶部风扇接口功能相同,白色的是重启键,方便裸机超频时重启电脑。

再来是2个USB 2.0前置接口,通常用于连接水冷散热器进行软件通信,然后还有一个风扇接口和Noise-Sensor,通过附送的传感线检测机箱内部噪音。另外还有一组12V RGB拓展接口。

主板背部支持一体式挡板设计,左侧两个按键分别是Q-Flash Plus和 Clear CMOS,Wi-Fi 6E天线接口、4 x USB 3.2 Gen1 5Gbps(蓝色)、5 x USB 3.2 Gen 2 10Gbps(红色)、1 x USB 3.2 Gen 2 10Gbps Type-C(左侧)、1 x USB 3.2 Gen 2x2 20Gbps(右侧)、RJ-45 10Gbps网络接口、5 x 3.5mm音频接口、1 x 数字光纤音频输出接口。

️供电与板载芯片介绍

Z690 AORUS MASTER主板采用19+1+2相供电设计,其中19相为CPU核心供电,1相为VCCGT核显供电,2相为VCCInAUX供电。核心供电和核显供电的PWM芯片为瑞萨Renesas RAA229131,这是一颗支持双路输出20 相 (X+Y ≤ 20)的 PWM 控制器,没有倍相和并联设计,直驱核心供电和核显供电。

核心供电和核显供电均采用瑞萨Renesas RAA22010540 Power Stage,每相最大可承载105A的持续输出电流,19相核心供电可承载1995A的持续输出电流。

2相VCCinAUX由MPS M2940A驱动,也是直驱设计。供电元件为MPS MP87992, 每相最大可承载70A的持续输出电流。

板载网卡是迈威(MARVELL) AQC113C万兆网卡芯片,支持10Gbps的网络传输速率。

音频方案采用Realtek AC1220 Codec+ESS SABRE DAC芯片ESS 9118,高达127dB的动态范围,加上WIMA和 Nichicon Fine Gold音频专用电容,提升音频解析能力和增益效果。

无线网卡为最新的intel Wi-Fi 6E AX210网卡,支持802.11ax双频2x2 160MHz频宽,支持802.11 a/b/g/n/ac无线网络协议,网络传输速率最高可达2.4Gbps(5GHz)+574Mbps(2.4GHz),同时配备蓝牙5.2功能。

️测试平台与BIOS介绍

处理器:intel Core i9 12900KS

主板:Gigabyte Z690 AORUS MASTER

内存:Gigabyte AORUS RGB DDR5 6000MHz 32GB

显卡:Gigabyte RTX 3090 Ti GAMING OC 24G

硬盘:KingSton KC310 960G/Samsung 980 Pro 1TB

散热器:NZXT KRAKEN Z73 RGB

电源:Gigabyte GP-UD1000GM-PG5

室温:27度

CPU-Z识别信息,Z690 AORUS MASTER主板BIOS为最新的F8f,内存手动超频至DDR5 6400MHz 30-38-38-28-2T。

Z690 AORUS MASTER主板的BIOS风格和以前类似,第一页包含了基础的超频功能和常用功能,处理器倍频、XMP、防掉压、内存倍频、CSM支持等等。

第二页Tweaker是进阶的超频功能,这张板子的供电非常好,唯一限制超频的其实是散热器性能和核心温度。核心电压在能稳定的前提下,能调低一些就尽量调低一些。12代酷睿对温度非常敏感,它不像以前的处理器架构,温度高的时候顶多就降频,12代酷睿超频后核心温度太高非常容易蓝屏、不稳定。以i9 12900KS的体质,处理器核心电压跑在1.1x V是比较轻松的。再来内存超频的部分,除了VDD和VDDQ的内存电压需要调高,VDD2电压也比较关键,它类似于以前的VCCIO电压,在内存超频时,需要略微调高一点。

CPU防掉压档位和以前类似,都是Standard、Medium、Turbo、Extreme之类的,设置Turbo在烧机时的Vcore电压会比设置值略微高一些。

️常规性能测试与压力测试

压力测试使用AIDA64 FPU模式对i9 12900KS烧机40分钟,处理器Package平均温度91度,功耗275W左右,核心温度在80-90度左右波动,核心频率保持P-Core 5.2GHz、E-Core 4.0GHz。内存频率超频至DDR5 6400MHz C30-38-38-28-66 2T,通过TM5@ANTA 777内存稳定性测试。

进行AIDA64 FPU压力测试时,使用热成像仪扫描供电部分,温度最高点出现在输出滤波电容,最高温度70度左右。电感、MOSFET等供电元件都被大面积散热鳍片牢牢控制住,能有效降低发热量,提供出色的稳定性。

内存超频至DDR5 6400 CL30后,读取带宽突破100GB/s,达到103.36/94.9GB/s的读写速度,复制速度95.3GB/s,延迟63.4纳秒。

Crystal Disk Mark,主要测试固态硬盘的读写速度,测试固态为三星980 Pro 1TB,读写速度达到7110MB/s和5234MB/s。

总结

技嘉Z690 AORUS MASTER主板是技嘉的次级旗舰主板,配备19+1+2相105A Power Stage供电,加上厚重的堆栈式散热鳍片以及背部散热装甲,使用i9 12900KS跑满5.2GHz,供电最高温度仅70度。Z690 AORUS MASTER主板拥有强劲的供电能力支撑玩家在高端处理器上的超频需求。

Z690 AORUS MASTER主板的接口和规格也很旗舰,5个M.2接口充分满足多硬盘用户的需求,USB 3.2 Gen2x2 20Gbps Type-C接口、万兆高速网口、WiFi 6E无线网卡、ESS SABRE DAC运放都是技嘉旗舰级主板必不可少的元素。

总的来说,Z690 AORUS MASTER主板还是熟悉的MASTER配方,在规格和用料上非常豪华,单散热鳍片自重就高达1.5kg,整张主板重量2.39kg,足已体现这张主板的用料之厚重和规格之豪华。